18066364331
首页
关于上禾
公司介绍
公司文化
荣誉资质
产品中心
无刷开关
有刷开关
微动开关
扳机开关
按钮开关
摇杆开关
开关配件
新闻中心
公司新闻
行业动态
下载中心
联系我们
联系方式
在线留言
搜索
首页
关于上禾
公司介绍
公司文化
荣誉资质
专利证书
体系认证
产品认证
产品中心
无刷开关
无刷开关1
无刷开关2
有刷开关
微动开关
扳机开关
按钮开关
摇杆开关
开关配件
新闻中心
公司新闻
行业动态
下载中心
联系我们
联系方式
在线留言
首页
>
产品中心
>
有刷开关
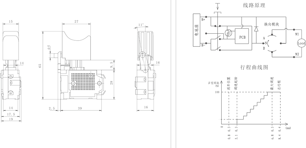
DS01-16/1 直流有刷调速开关
● 机械换向
● 机械刹车
● 机械主触点
● 无级或有级变速
● 机械直通
● 中档自锁装置
● 工作照明
● 扳机定制
产品详情
技术参数
规格
8(8)A 250V-/ 12(12)127V-/20A 42Vd.C
防尘和防水性能
IP40
应用
手持电动工具和园林工具
阻燃性能
UL94 V-0
机械耐久
≥1E5
工作温度范围
0℃~55℃
电气耐久
≥5E4
储存温度范围
0℃~55℃
操作力(全行程)
3N-15N
环保符合性
RoHS、REACH、PAHs
TOP
首页
关于上禾
公司介绍
公司文化
荣誉资质
专利证书
体系认证
产品认证
产品中心
无刷开关
无刷开关1
无刷开关2
有刷开关
微动开关
扳机开关
按钮开关
摇杆开关
开关配件
新闻中心
公司新闻
行业动态
下载中心
联系我们
联系方式
在线留言
Copyright © 2020 乐清市上禾电子有限公司 All Rights Reserved.
备案号:浙ICP备2020041355号-2
站点地图
技术支持:科讯网络